简体中文
|
English
首页
关于派丰
公司简介
企业文化
荣誉资质
发展愿景
产品中心
变频器
伺服驱动
变频电机
伺服电机
运动控制器
汽车动力
工业自动化
应用方案
塑料机械
机床/雕铣
包装印刷
锻压机械
汽车制造
风机
冶金矿山
服务与支持
服务网络
支持与下载
新闻动态
企业新闻
展会信息
联系我们
产品中心 /
Production
变频器
HC80高性能矢量变频器
伺服驱动
HC880系列伺服驱动器
变频电机
伺服电机
运动控制器
汽车动力
工业自动化
首页
>>
产品中心
>> 通用系列矢量变频器
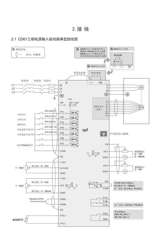
CD61系列高性价比通用变频器
支持同步异步电机同步磁阻电机,异步电机VF3000HZ,同步电机800HZ,内置空压机风机水泵PID控制,内置张力控制,简易PLC逻辑控制
产品详情
资料下载
首页
|
关于派丰
|
产品中心
|
应用方案
|
服务与支持
|
新闻动态
|
联系我们
上海派丰动力科技有限公司
Shanghai paifeng power technology Co.,Ltd
地址:上海市青浦区外青松公路3528号1栋
咨询电话:021-39806377 / 31603577 E-mail:info@spfauto.com
Copyright © 2014-2026 上海派丰动力科技有限公司
沪ICP备14005917号
技术支持:
溢尚网络